B82215000009.990511
| x | 番号 | 部品番号 | 名称/補足インフォメーション | 数 | バージョン |
|---|
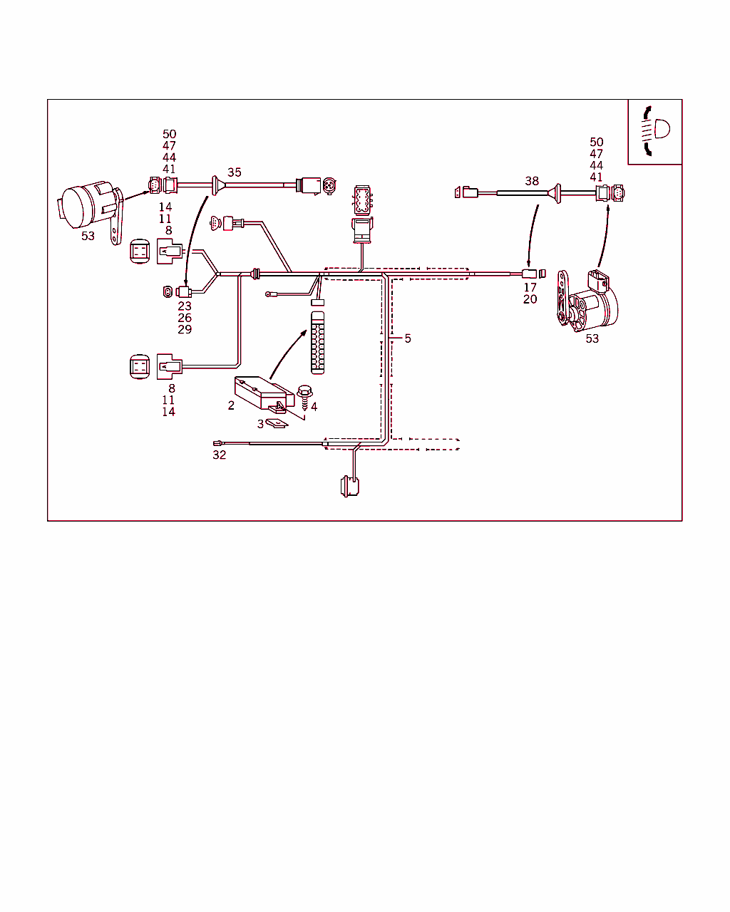
| 2 | A 140 820 74 26 | コントロールユニット 電動ヘッドランプ光軸調整 | 001 | ||
| 3 | A 202 994 00 45 | ヒューズ コントロール・ユニット | 002 | ||
| 4 | A 203 990 00 36 | ねじ山形成6角ボルト コントロール・ユニット | 002 | ||
| 5 | A 202 440 68 08 | ケーブル・ハーネス 電動ヘッドランプ光軸調整 | 001 | L | |
| 5 | A 202 440 69 08 | ケーブル・ハーネス 電動ヘッドランプ光軸調整 | 001 | R | |
| 8 | A 210 540 74 81 | 電動クラッチ・ハウジング ランプ・ユニット | 002 | ||
| 11 | A 000 545 82 80 | ガスケット TO 210 545 74 81 | NB | ||
| 14 | A 008 545 53 26 | コンタクト・スプリング 0,5-1,0 MM2 これに変更 A 000 540 69 05 | NB | ||
| 14 | A 000 540 69 05 | ハーネス 0,5-1,0 MM2 | NB | ||
| 17 | A 029 545 55 28 | ハウジング アダプティブ・ダンピング・システム (ADS) "REAR" | 001 | ||
| 20 | A 008 545 55 26 | コンタクト・ソケット 0,75 MM2 | NB | ||
| 23 | A 210 540 21 81 | クラッチ アダプティブ・ダンピング・システム (ADS) "FRONT" | 001 | ||
| 26 | A 000 545 69 80 | ガスケット TO 210 540 21 81 | NB | ||
| 29 | A 008 545 63 26 | コンタクト・ソケット 0,5-0,75 MM2 これに変更 A 000 540 45 05 | NB | ||
| 29 | A 000 540 45 05 | 電気ケーブル 0.5 MM2 MQS | NB | ||
| 32 | A 008 545 82 26 | コンタクト・スプリング ヒューズ・ボックス 0,35-1,0 MM2 | NB | ||
| 35 | A 208 540 69 08 | ケーブル・ハーネス フロント・アクスル | 001 | ||
| 38 | A 208 540 73 08 | ケーブル・ハーネス リヤ・アクスル | 001 | ||
| 41 | A 210 540 36 81 | クラッチ センサ / アクスル | 001 | ||
| 44 | A 000 545 69 80 | ガスケット TO 210 540 36 81 | NB | ||
| 47 | A 008 545 63 26 | コンタクト・ソケット 0,5-0,75 MM2 これに変更 A 000 540 45 05 | NB | ||
| 47 | A 000 540 45 05 | 電気ケーブル 0.5 MM2 MQS | NB | ||
| 50 | A 000 545 87 80 | ダミー・プラグ プラグ | NB | ||
| 53 | A 010 542 75 17 | アングル・センサ フロントおよびリヤ・アクスル | 002 |